
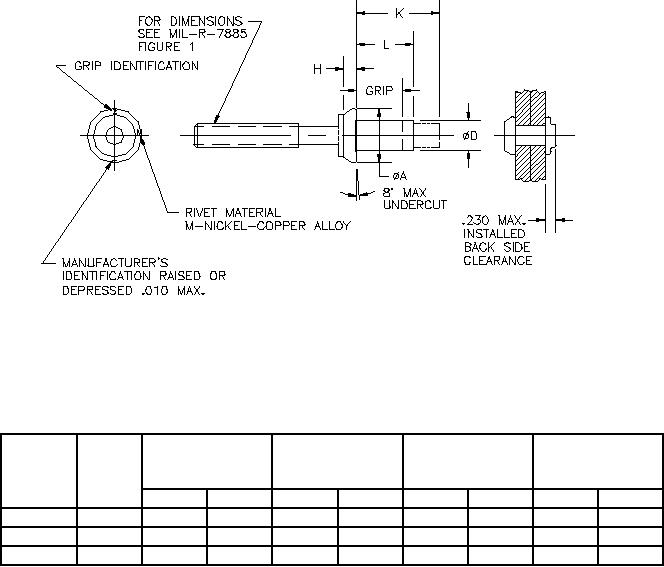
MIL-DTL-7885/4D
Optional Driving Anvil Gold Colored to Identify Style "A" Rivets
TABLE I
∅A
∅D
Nominal
Basic
H
Installation
Size
Body
hole Limits
Dia
Max
Min
Max
Min
Max
Min
Max
Min
4
.125
.260
.240
.129
.125
.064
.054
.132
.129
5
.156
.322
.302
.160
.156
.077
.067
.164
.160
6
.187
.385
.365
.192
.188
.090
.080
.196
.192
2
For Parts Inquires call Parts Hangar, Inc (727) 493-0744
© Copyright 2015 Integrated Publishing, Inc.
A Service Disabled Veteran Owned Small Business