emilspec
An Integrated Publishing, Inc. Site
eMilSpec
An Integrated Publishing Website
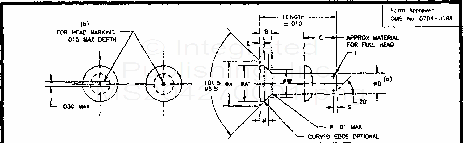
MS20427 Rivet, Solid-100 Deg. Countersunk Head, Carbon Steel, Corrosion-Resistant Steel, Monel And Copper (S/S By Nasm20427)
For Parts Inquires call
Parts Hangar, Inc
(727) 493-0744
© Copyright 2015 Integrated Publishing, Inc.
A Service Disabled Veteran Owned Small Business